Заказать обратный звонок

Техническое описание лючков в пол для розеток ЭКОПЛАСТ (артикул 70022)

29.11.2023

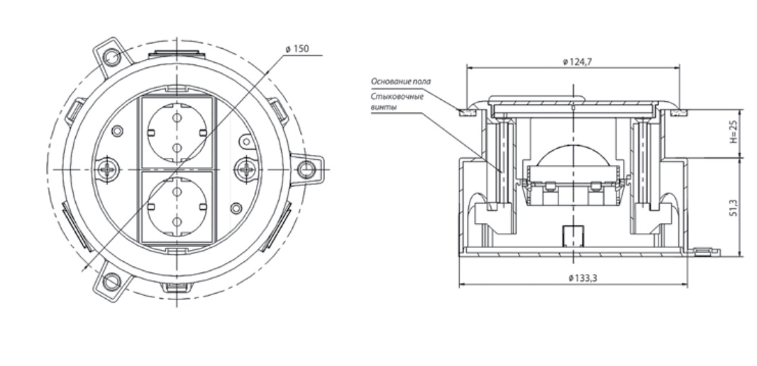
Люк круглый на 2 поста (пластик). Люк напольный на 2 поста (45х45мм) с суппортом. LUK/2. Арт. 70022.

Коробка для люка LUK/2 в пол (пластиковая для заливки в бетон). ВОХ/2. Арт. 70122.

Материал

Нейлон + АБС

Цвет

Чёрный

Применение

Для заливки в бетон (в посадочную коробку) и в фальшпол.

Степень защиты: IP20-40.

Габариты

Люк в пол на 2 поста: D 125

Коробка для люка LUK/2: D 167,3 x 73,8

Размеры вводов: D 27 мм

Количество вводов: 3

Инструкция по монтажу лючков в пол арт. 70022

 

В онлайн-магазине 220.ru можно заказать: инструменты для электромонтажных работ, патч-корды, кабель UTP, удлинители и сетевые фильтры, клеммники, лампы LED, промышленные разъемы, лючки в пол для розеток и мини-колонны, блоки для розеток настольные, кабель ВВГнг-LS, кабель NYM и т.д.

Советы эксперта: проконсультируем по электромонтажной продукции, подберем электрооборудование, предложим лучшую кабельную продукцию от российских производителей. Предоставляем сертификаты и гарантию на все товары.

Оформление заказа: на нашем сайте или по телефону +7(495)28-68-220.   

Принимаем заявки круглосуточно на нашу электронную почту: sales@220.ru.

На нашем сайте вы сможете найти лучшие розетки и выключатели для гостиной, кухни, спальни, детской комнаты.

Быстрая доставка во города России (Москва, Санкт-Петербург, Казань, Нижний Новгород, Набережные Челны, Брянск, Воронеж, Новосибирск, Калининград, Астрахань, Самара, Тольятти, Псков, Киров).

Электромонтажные изделия от завода. 220.ru